50-3 - Piston Vibrator



RECOMMENDED ACCESSORIES

86124 - Ball Valve 1/2"
46124 - Filter/Regulator 1/2" NPT
PM-5 - Mounting Channel For 50-3
1/2SV - Solenoid Valve
26124 - 1/2" Inline Lubricator

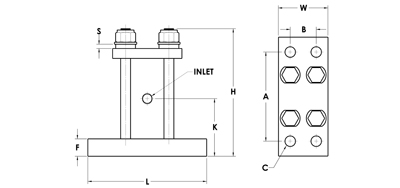
Dimensions

A 8-7/16 in
215 mm
B 2-1/2 in
64 mm
C* 3/4 in
20 mm
L 10-1/2 in
267 mm
W 4-1/2 in
115 mm
H 9-1/8 in
232 mm
F 1 in
26 mm
S 11/16 in
18 mm
INLET 1/2 NPT
* Bolt Size

Tech Data

40 psi
VPM 2700
CFM 18
60 psi
VPM 3200
CFM 25
80 psi
VPM 3800
CFM 30
Max Lbs Material in Bin 10000-30000
Weight 51 lbs


VIBCO MODEL 50 PISTON VIBRATORS


The perfect choice for the toughest material flow problems - sticky, high-moisture, and coarse materials are no match for the high impact, linear force of a VIBCO Model 50 Piston Vibrator.   Read a VIBCO Piston Vibrator customer story


Use VIBCO Model 50 Piston Vibrators on bins, chutes, and weigh batchers. Compact powdered and viscous materials in containers and forms; activate screens and precipitators. 


VIBCO Model 50 Vibrators are used in thousands of applications in mining, chemical, plastics, concrete products, foundry, steel and paper industries. See how VIBCO users solve material flow problems. 

Made In The USA 50 Years


US Flag 

VIBCO Vibrators™ are 100% MADE IN THE USA since 1962.

Top Quality, Fastest Delivery

  • 100% Manufactured in the USA
  • Strict quality standards
  • Available and in-stock
  • Same day or next day shipping
  • Made with pride since 1962

Not Sure? How can we help you?

Call UsOn the Job PhotosVIBCO TV 

Customer Testimonials

CALL NOW: 800-633-0032